Электрические схемы представляют собой набор различных электронных компонент, с помощью которых получают (или преобразовывают) постоянные и переменные электрические сигналы нужной величины, формы и частоты. Для этого элементы схемы соединяют в определенном порядке. Самыми распространенными типами соединений являются последовательное и параллельное соединение проводников.

Закон Ома
Изучение последовательного и параллельного соединения проводников следует начинать с напоминания закона Ома, который является базовым законом при проектировании всех видов электрических схем.
Немецкий физик Георг Ом в 1826 г. экспериментально открыл фундаментальную связь между силой тока I и напряжением U. Ученый установил, что величина тока I в цепи прямо пропорциональна величине напряжения U, т.е. I ∼ U.

Рис. 1. Закон Ома
Формула закона Ома для однородного участка цепи выглядит следующим образом:
$ I = {U over R} $ (1),
где: R — величина сопротивления проводника, (Ом).
Полностью закон Ома звучит так: сила тока I для проводника на однородном участке цепи прямо пропорциональна напряжению U на этом участке и обратно пропорциональна сопротивлению проводника R.
Последовательное соединение проводников
Для простоты будем рассматривать соединения проводников на примере резисторов (сопротивлений) R. Если взять два резистора R1 и R2 и соединить их друг за другом (правый контакт резистора R1 с левым контактом резистора R2, то это будет последовательное соединение.

Рис. 2. Схема последовательного соединения резисторов
При подключении напряжения U к левому концу R1 и правому концу R2 в замкнутой цепи потечет ток I, величина которого будет одинакова для обоих резисторов. Падение напряжений U1 и U2 на сопротивлениях согласно закону Ома будут равны:
$ U_1 = I * R_1 $$ (2), $$ U_2 = I * R_2 $ (3).
Полное напряжение U равно сумме этих напряжений:
$ U = U_1 + U_2 $ (4).
Применив закон Ома для всей цепи, получим:
$ U = I * R_{общ} $ (5),
где Rобщ — общее сопротивление всей цепи. Из формул (2), (3) и (4) следует, что:
$ U = I * R = I * R_1 + I * R_2 $ (6).
Сократив обе части уравнения на I, получим:
$ R_{общ} =R_1 + R_2 $ (7).
Если в цепи последовательно соединены N резисторов — R1, R2… RN, то, воспользовавшись такими же соображениями, можно получить формулу для величины общего сопротивления такой цепи R0:
$$ R_0 = R_1 + R_2 +…+ R_N $$ (8).
Таким образом, можно сформулировать общее правило: при последовательном соединении резисторов величина общего сопротивления цепи равна сумме сопротивлений включенных резисторов.
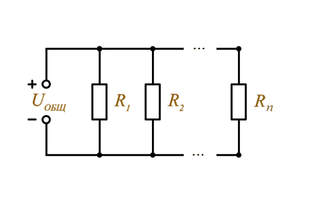
Параллельное соединение проводников
Если взять два резистора R1 и R2 и соединить их так, что начала (левые концы) соединятся в одной точке, а правые концы соединятся в другой точке, то это и будет параллельное соединение.

Рис. 3. Схема параллельного соединения резисторов
После подключения к левому и правому концам источника напряжения U, в цепи потечет ток. Поскольку R1 и R2 могут отличаться друг от друга, то и значения токов I1 и I2 через них тоже будут разные. Зная напряжение U, и используя формулу закона Ома, можно рассчитать токи I1 и I2 :
$ I_1 = {U over R_1} $ (9),
$ I_2 = {U over R_2} $ (10)
Общий ток I в цепи является суммой токов I1 и I2:
$ I = I_1 + I_2 $ (11),
Тогда, используя выражения для токов I1 и I2, получим следующую формулу:
${U over R} = { U over R_1}+ {U over R_2}$ (12).
Сокращая обе части последнего уравнения на U, получим следующее выражение для обратной величины общего сопротивления R:
$ {1over R} = {1 over R_1}+ {1 over R_2} $ (13).
Используя последнюю формулу и правило сложения дробей, получим выражение для сопротивления цепи, состоящей из двух резисторов:
$ R = {R_1* R_2 over R_1 + R_2} $ (14).
Если соединить параллельно N резисторов с одинаковым сопротивлением R0, то общее сопротивление цепи будет равно:
$ R = {R_0 over N} $.
Что мы узнали?
Итак, мы узнали, что такое последовательное и параллельное соединение проводников в электрических цепях. Получены формулы для вычисления общих сопротивлений цепей при последовательном и параллельном соединениях.